Resistor
Resistor merupakan komponen pasif yang digunakan sebagai hambatan atau resistansi pada rangkaian elektronika. Besarnya hambatan atau resistansi sebuah resistor dinyatakan dalam satuan Ohm (Ω). Ujung resistor atau terminal tidak memiliki kutub sehingga pemasangan terminal resistor pada rangkaian dapat dibolak balik.
Resistor memiliki beberapa fungsi pada rangkaian elektronika yaitu :
- Menghambat atau membatasi besarnya arus listrik yang mengalir pada rangkaian elektronika.
- Membagi tegangan listrik dengan tujuan tegangan menjadi lebih kecil.
Resistor terbagi menjadi dua jenis jika dilihat dari nilai hambatannya yaitu :
- Fixed resistor : Resistor yan nilai hambatannya tetap, tidak berubah atau tidak dapat dirubah.
- Variable resistor : Resistor yang nilai hambatannya dapat berubah atau dapat dirubah.
Fixed Resistor
Fixed resistor atau resistor tetap sering disebut sebagai resistor dan memiliki simbol seperti ditunjukan pada Gambar 1.
![]() |
| Gambar 1. Fixed resistor |
Berbagai jenis fixed resistor dapat dilihat pada Gambar 2 di bawah ini.
![]() |
| Gambar 2. Jenis-jenis fixed resistor |
Jenis fixed resistor berdasarkan bahan pembuatnya :
1. Resistor campuran karbon
Merupakan resistor karbon yang dibuat dari bahan campuran resitif silinder dengan kabel timah tertanam. Silinder resitif itu sendiri terbuat dari karbon dan keramik, serbuk karbon bertindak sebagai konduktor yang baik. Resistor jenis ini merupakan resistor yang paling sering digunakan untuk keperluan umum yang memiliki nilai resistansi dengan rentang 1 hingga 100MΩ yang dapat menghantar daya listrik sekitar 1/8 Watt hingga 2 Watt. Toleransi resistor campuran karbon ini mencapai 5% dan memiliki kelemahan tidak stabil pada kondisi suhu tinggi (diatas 60 derajat C).
2. Resistor karbon film
Resistor ini dibuat dengan meletakan lapisan karbon (karbon film) pada substrat keramik. Karbon film ini berfungsi sebagai penghambat arus listrik. Substrat keramik berfungsi sebagai isolator sehingga menghambat panas yang melaluinya. Resistor karbon film ini dapat beroperasi pada suhu lebih tinggi dibanding dengan resistor campuran karbon.
3. Resistor selaput logam (metal film)
Resistor metal film sangat mirip dengan resistor karbon film, yang membedakan adalah bahan pembuat film yaitu timah dan antimon. Resistor ini memiliki nilai antara 1 hingga 10MΩ dengan toleransi resistansi kurang dari 0,5%. Daya listrik yang dapat ditanggung resistor ini umumnya tidak lebih dari 2 Watt.
4. Resistor metal oxide
Resistor metal oxide memiliki konstruksi mirip dengan resistor metal film. Film dibuat dari oksida logam seperti oksida timah. Inti keramik resistor ini dilapisi dengan oksida timah yang ditambahkan dengan antimon oksida untuk meningkatkan resitivitasnya. Resistor ini memiliki toleransi nilai resistansi kurang dari 1% dan umumnya dapat menanggung daya listrik mencapai 2 Watt.
5. Resistor cermet
Resistor cermet dibuat dari bahan keramik dan metal. Resistor ini didesain untuk memiliki sifat optimal dari keramik yaitu tahan panas dan keras. Unsur metal atau logam yang umum digunakan adalah nikel, kobalt dan molibdenum.
6. Resistor lilitan kawat
Resistor ini dibuat dari kawat logam yang dililitkan pada sebuah inti. Kawat logam berfungsi sebagai tahanan atau hambatan, sedangkan inti merupakan bahan yang tidak menghantar arus listrik. Nichrome atau manganin adalah bahan yang umum digunakan untuk membuat kawat karena memberikan daya tahan tinggi pada terhadap arus listrik yang beroperasi pada suhu tinggi. Bahan yang umum digunakan sebagai inti adalah plastik, fiber glass atau keramik.
7. Chip resistor
Chip resistor adalah resistor dengan ukuran chip (sangat kecil) yang digunakan pada teknologi SMD (Surface Mounted Device) dan SMT (Surface Mounted Technology). Material utama yang digunakan untuk membuat chip resistor adalah SiO2, RUO2, dan CUNi yang memungkinkan untuk membuat resistor dengan resistansi rendah, sangat rendah, tinggi, sangat tinggi, anti sulfur resistor dan array resistor.
![]() |
| Gambar 3. Chip resistor |
Bahan utama untuk membuat elektroda pada resistor chip adalah perak (Ag). Akan tetapi perak, dalam waktu lama akan mudah terkorosi dengan sulfur hingga menjadi perak sulfida (Ag2S). Perak sulfida bersifat non konduktif dan jika dibiarkan dalam waktu lama dapat membuat resistor chip tidak dapat mengalirkan arus listrik. Untuk penggunaan jangka panjang perlu menggunakan resistor terhadap korosi sulfur yaitu resistor chip anti sulfur.
Resistor chip memiliki berbagai ukuran yang dinyatakan dalam kode sehingga saat membeli resistor chip Anda perlu menentukan ukuran resistor yang akan dibeli.
![]() |
| Gambar 4. Ukuran chip resistor |
Tabel 1 meunjukan kode ukuran resistor chip yang umum digunakan.
Tabel 1. Ukuran resistor chip

Tabel 1 menjelaskan tentang kode ukuran chip resistor, sebagai contoh resistor chip dengan kode ukuran 0603 dalam mm memiliki panjang 0,6 mm, lebar 0,3 mm. Jika kode ukuran 0603 dalam inch maka ukuran resistor chip adalah 1,6 mm panjang dan 0,8 mm lebar.
Untuk mengetahui besarnya resistansi resistor chi salah satunya adalah dengan membaca kode yang tertera pada badan resistor chip sebagai berikut :
- Jika kode menggunakan 3 angka : angka pertama dan angka kedua menyatakan nilai, angka dan angka ketiga menyatakan pengali. Contoh : resistor chip dengan kode 101 maka besarnya resistansi resistor chip tersebut adalah 10x 10^1 sama dengan 100Ω.
- Jika menggunakan 4 angka : angka pertama, kedua dan ketiga menyatakan nilai sedangkan angka ke empat menyatakan pengali. Contoh : resistor chip dengan kode 4702 mempunyai resistansi 470x10^2 samadengan 47000Ω. atau 47kΩ.
Nilai resistansi resistor berdasarkan kode warna
Resistor yang umum kita jumpai adalah resistor yang memiliki kode warna di bagian badannya. Resistor ini memiliki toleransi resistansi hingga mencapai 5% untuk resistor yang menggunakan 4 kode warna, sedangkan resistor yang menggunakan 5 kode warna umumnya memiliki toleransi dibawah 1% dimana semakin kecil toleransi resistansi maka resistor tersebut makin presisi. Toleransi resistor menyatakan bahwa nilai resistansi pada suatu resistor dianggap masih baik jika nilai resistansi masih berada pada rentang toleransi, contoh : resistor 1kΩ memiliki tolerasni 1% maka nilai resistor tersebut dianggap masih baik jika memiliki nilai 1 kΩ ± 10 Ω.
Resistor dengan 4 kode warna
![]() |
| Gambar 5. 4 Resistor dengan 4 kode warna |
Keterangan Gambar 5 :
- Warna pada cincin 1 menyatakan angka atau nilai pertama
- Warna pada cincin 2 menyatakan angka atau nilai kedua
- Warna cincin 3 menyatkan besarnya pengali
- Warna cincin4 menyatakan nilai toleransi resistor
Tabel 2. Empat kode warna resistor
![]() |
Gambar 6 menunjukan contoh resistor menggunakan 4 kode warna
| Gambar 6. Resistor 4k7 toleransi ± 5% |
Resistor dengan 5 kode warna
Resistor dengan 5 kode warna umumnya memiliki toleransi resistansi lebih kecil dibanding dengan resistor 4 kode warna sehingga resistor ini memiliki resistansi yang lebih presisi.
![]() |
| Gambar 7. Resistor dengan 5 kode warna |
Keterangan Gambar 7 :
- Warna cincin 1 : Menyatakan angka atau nilai pertama
- Warna cincin 2 : Menyatakan angka atau nilai kedua
- Warna cincin 3 : Menyatakan angka atau nilai ketiga
- Warna cincin 4 : Menyatakan besarnya pengali
- Warna cincin 5 : Menyatakan toleransi resistansi resistor
Tabel 3. Resistor dengan 5 kode warna

Gambar 10 menunjukan sebuah resistor dengan 5 kode warna dengan nilai resistansi 4k7 dan toleransi ± 1%.
![]() |
| Gambar 8. Resistor 4k7 ± 1% |
Variable Resistor
Variabel resistor adalah resistor yang nilai hambatannya dapat berubah atau diubah pada nilai rentang tertentu. Beberapa jenis variable resistor adalah sebagai berikut :
1. Potensiometer
![]() |
| Gambar 9. Potensiometer |
Potensiometer adalah variabel resistor yang nilai resistansinya dapat dirubah dengan memutar poros potensiometer tersebut. Penggunaan potensiometer ini sangat luas, salah satunya adalah digunakan untuk volume pada radio analog, sebagai pengatur tone control pada amplifier, variabel pada rangkaian dimmer dan sebagainya.
2. Trimpot
![]() |
| Gambar 10. Trimpot |
Trimpot merupakan salah satu jenis variable resistor, yang membedakan trimpot dengan potensiometer adalah pada trimpot perlu alat bantu untuk mengubah nilai resistansi, umumnya menggunakan alat semacam obeng dengan kepala minus.
Total resistansi resistor disusun seri
Resistansi total resistor jika dipasang secara seri pada suatu rangkaian maka resistansi totalnya merupakan penjumlahan resistansi dari masing-masing resistor. Gambar 11 menunjukan resistor disusun secara seri.
![]() |
| Gambar 11. Resistor disusun seri |
Resistansi total resistor seri pada Gambar 11 adalah :
Rtotal = R5 + R6 + R7 + R8
Rtotal = 1k + 1k + 1k + 1k
Rtotal = 4kΩ
Besarnya arus listrik yang mengalir pada rangkaian gambar 11 adalah :
I = V / Rtotal
I = 5V / 4kΩ
I = 1,25 mA
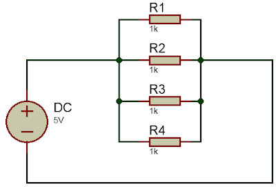
Total resistansi resistor disusun paralel
Resistansi total resistor jika dipasang secara paralel adalah penjumlahan seper nilai resistansi masing-masing resistor. Gambar 12 menunjukan resistor disusun secara paralel.
Total resistansi resistor Gambar 12 dapat dicari dengan persamaan sebagai berikut :
![]() |
| Gambar 12. Resistor disusun paralel |
Total resistansi resistor Gambar 12 dapat dicari dengan persamaan sebagai berikut :
1/Rtotal = 1/R1 + 1/R2 + 1/R3 + 1/R4
1/Rtotal = 1/1k + 1/1k + 1/1k + 1/1k
1/Rtotal = 1/1k + 1/1k + 1/1k + 1/1k
1/Rtotal = 4/1k
Rtotal = 1k/4 = 0,25kΩ
Besarnya arus yang mengalir pada rangkaian Gambar 12 dapat dihitung sebagai berikut :
I = V / Rtotal
I = 5V / 0,25kΩ
I = 25mA












